服务热线
LibreVNA 开源 USB 矢量网络分析仪 (VNA) 工作频率范围为 100kHz 至 6GHz
Jan K?berich 的 LibreVNA 是一款开源硬件 USB 矢量网络分析仪 (VNA),基于 Spartan-6 FPGA、STM32 微控制器以及采用 MAX2871 和 Si5351C 芯片的 RF 电路。 该开源 VNA 支持两个通道,工作频率范围为 100kHz 至 6GHz。

矢量网络分析仪是昂贵的电子测试设备,用于测量高频电气网络的幅度和相位,价值数千美元。 它们通常用于射频 (RF) 和微波工程应用。 去年,我们曾报道过 Pico Technology 发布了适用于 Linux、Raspberry Pi 和 macOS 的 PicoVNA 5 软件,而不仅仅是为其商业 PicoVNA 设备提供 Windows 程序。 我认为即使它是闭源的,它也已经是一个很好的开发,但 LibreVNA 一直采用开源硬件设计,硬件设计文件、FPGA 代码、STM32 固件和 PC 软件(GUI)全部开源。

LivreVNA 硬件规格:
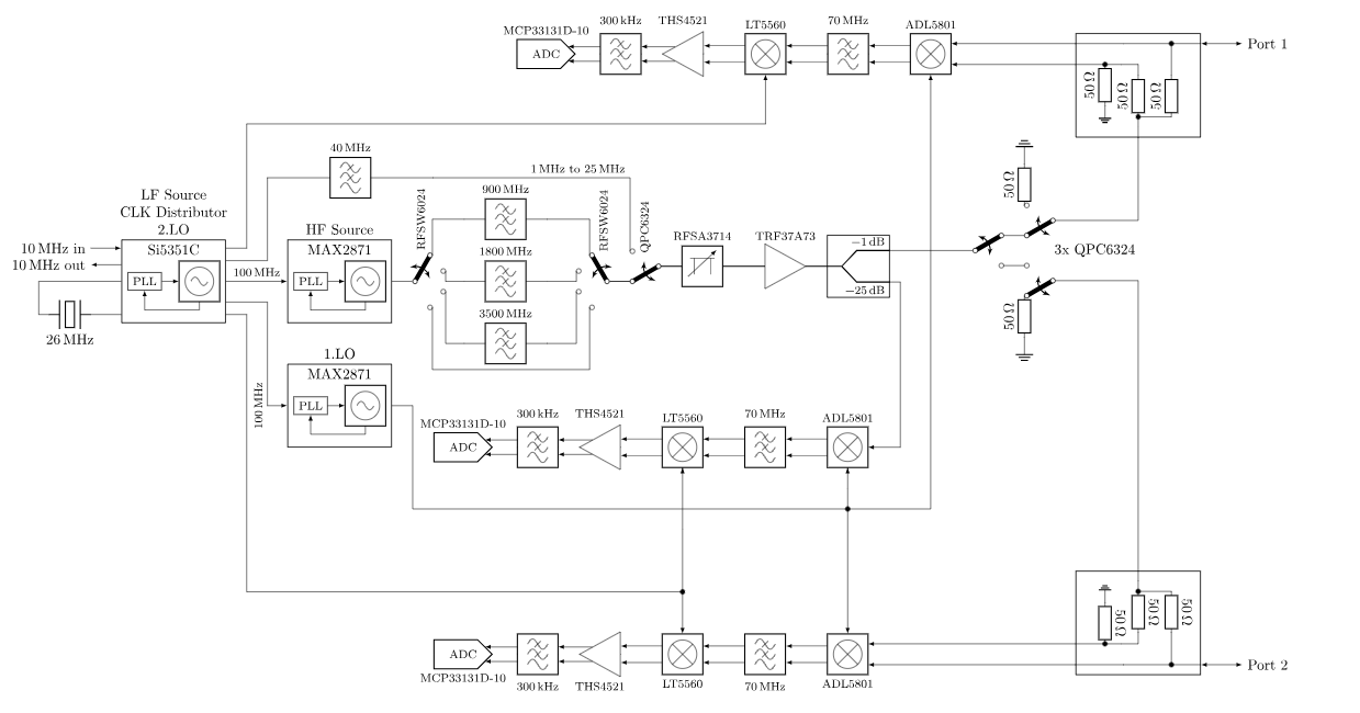
- FPGA – Spartan6 FPGA 处理与 RF 模块的通信并对 ADC 进行采样。
- MCU – STM32G431 微控制器处理 FPGA 中的扫描设置、提取和预处理测量结果,并通过 USB 传输它们。
- 存储——用于 FPGA 比特流的闪存。 微控制器还可以访问闪存,因此不需要 FPGA 相关的硬件工具(例如 JTAG 编程器),所有内容都可以通过 USB 更新
- 时钟源
-
- Skyworks Si5351C 时钟发生器提供所有所需的时钟,并用作低于 25MHz 频率的激励源。 其参考时钟可以是 26MHz 晶体,也可以是外部 10MHz 信号。
- Analog Device MAX2871 是频率高于 25MHz 的激励源,其输出信号经过轻微滤波以减少谐波数量,并可通过数字衰减器 (RFSA3714) 在约 -42 至 -10dbm 之间调节。
- 经过TR37A73放大器后,信号被分路
-
- 其较弱的部分被馈送到参考接收器。
- 信号的较强部分可以路由到任一端口,每个端口都有 2 个串联使用的 RF 开关,以在端口之间实现更高的隔离。
- 两个端口都具有完全独立的接收路径,可同时测量两个参数(S11 和 S21 或 S22 和 S12)。
- 每个接收器由两个下变频混频器组成。 1.IF 的频率为 60MHz,2.IF 的频率为 250kHz。
- ADC 以 16 位 @ 800kHz 对最终 IF 进行采样。
- 电源 – 通过 USB-C 端口提供 5V 电源或外部 5V 直流电源

系统框图
Jan 解释说,LibreVNA PCB 只是一个 RF 前端,具有一定的处理能力,用于捕获数据并通过 USB 将其发送到主机。 实际的数据处理是在 LibreVNA-GUI PC 应用程序中完成的,其中包含适用于 Windows、Ubuntu、macOS 甚至 Raspberry Pi 5 的预构建二进制文件。这意味着您可以在不需要 PCB 导入示例测量值的情况下进行尝试。
我在 Ubuntu 22.04 笔记本电脑上尝试过,安装一些额外的依赖项后,程序可以启动。
sudo apt install libqt6widgets6 libqt6svg6 libqt6network6 qt6-waylandunzip LibreVNA-GUI-Ubuntu-v1.5.0.zip ./LibreVNA
它还可以用作信号发生器或频谱分析仪。 RF 工程师可能会发现该解决方案很有趣,并且可以访问所有资源来开始使用或在 GitHub 上构建自己的解决方案。 该项目并不是全新的,因此可以在亚马逊或 Aliexpress 上以 500 美元左右的价格购买硬件以及外壳和配件。






粤公网安备44030002007346号