服务热线
设备
本文要讲的电路是一个简单的DC电源稳压器,可承受24V的强大负载。显然,电压可以通过调整PCB的特性来进行改变。它可以用于改变灯的亮度或加快或降低DC电动机的速度。逻辑操作由MCU执行。电源的调节操作通过两个按钮管理。占空比的大小通过一个LED二极管监控。PWM信号
PWM信号是具有可变“占空比”的方波( 图1),可以通过调制占空比而利用它来控制电气负载(在本例中为执行器或电动机)所吸收的功率。PWM信号的特征是固定频率和可变占空比。“占空比”是方波呈现“高”电平的时间与周期T之比,其中“T”是频率的倒数:T=1/f。例如:-
50%占空比所对应的方波,在50%的时间内保持高电平,而在其余50%的时间内保持低电平;
-
10%占空比所对应的方波,在10%的时间内保持高电平,而在其余90%的时间内保持低电平;
-
90%占空比所对应的方波,在90%的时间内保持高电平,而在其余10%的时间内保持低电平;
-
100%占空比所对应的信号始终为高电平;
-
0%占空比所对应的信号始终为低电平。
为了更清楚起见,如果考虑上述最后两种情况,则占空比等于0%表示脉冲持续时间为零(实际上是无信号),而接近100%的值表示最大信号传输,也即受控设备获得完整、恒定的电源。
方框图
图2给出了该系统的框图。MCU管理逻辑操作并接收操作员下发的命令。它还能产生PWM(小功率)信号而驱动预驱动器。后者将电流信号放大并将其传递给驱动器,进而控制负载。
电气原理图
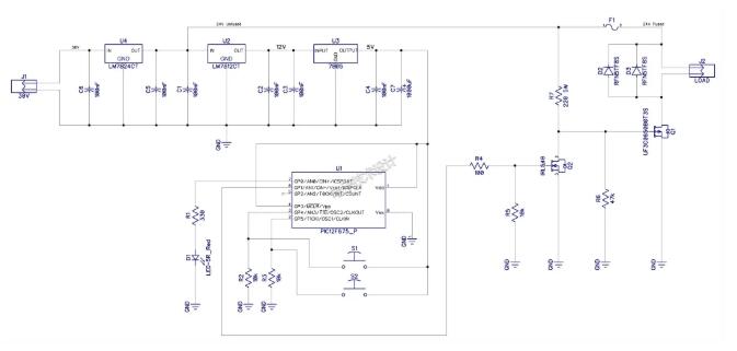
在 图3中可以看到接线图。该系统采用大约30V的电压供电。然后通过三个稳压器(7824、7812和7805)降低到5V而用于MCU逻辑。与只使用7805相比,这种技术可以限制热量。PIC 12F675的GP0端口驱动有一个LED二极管,而用作PWM信号的监控器。GP1端口对由IRL540功率MOSFET组成的预驱动器进行控制——这特别适用于使用MCU的应用,因为此时供给“栅极”的能量非常低。第一个MOSFET的“漏极”端子对第二个SiC MOSFET进行驱动,对负载(电阻性或电感性)上的电流进行开关。两个快速二极管可消除感性负载产生的过电压。也可以不使用它们,因为SiC MOSFET受到了很好的保护,但是最好还是考虑使用它们。如果使用电阻性负载,则可以将它们从电路中去掉。两个常开按钮通过相应的下拉电阻连接到MCU的GP4和GP5端口,如果不按下它们,就可以确保是低电位。
电子元器件
下面列出了电路的电子元器件。它们并不紧缺,可以在市场上轻松找到。 图4给出了各种元器件的引脚排列。-
电阻:
-
R1:330Ω
-
R2:10k?
-
R3:10k?
-
R4:100?
-
R5:10k?
-
R6:47k?
-
R7:220?,5W
-
电容:
-
C1:100nF
-
C2:100nF
-
C3:100nF
-
C4:100nF
-
C5:100nF
-
C6:100nF
-
C7:1,000µF电解电容
-
半导体
-
D1:红光LED,5mm周长
-
D2:快恢复二极管RFN5TF8S
-
D3:快恢复二极管RFN5TF8S
-
Q1:MOSFET SiC UF3C065080T3S
-
Q2:MOSFET IRL540(非IRF540)
-
杂项:
-
U1:PIC12F675_P MCU
-
U2:LM7812CT稳压器
-
U3:7805稳压器
-
U4:LM7824CT稳压器
-
1:熔断器,40A
-
J1:接线端子
-
J2:接线端子
-
S1:常开按钮
-
S2:常开按钮
PCB
要制作原型,就必须设计PCB,其走线如 图5所示。即使其非常简单,我们也强烈建议使用光刻技术来获得更可靠、更专业的结果。一旦准备好基础,就需要用与焊盘相对应的0.8mm或1mm的钻头钻孔,从而增加与集成电路相关的焊盘的精度。要增加走线的厚度,实现更好的散热,可以在它们上面熔化锡。
组件
下面就可以开始焊接元器件( 图6)。首先从低矮的元件开始,例如电阻、电容和插座,然后再继续到较大的元件,例如接线端子、LED二极管、MOSFET、熔断器和电解电容。应特别注意有极性元件。焊接时要使用功率约为30W的小型烙铁,注意不要使不能承受过多热量的电子元件过热。最后,需要注意集成电路及其插座的引脚排列。
固件
本文最后附有源程序列表(.BAS)——是使用GCB(Great Cow Basic)编译器用BASIC语言编写的——以及可执行文件(.HEX)。在对保险丝和I/O端口进行初始配置之后,就会进入无限循环,检查两个按钮的逻辑状态。按下第一个按钮,占空比就会减小;按下第二个按钮,占空比就会增加。占空比的百分比有10%、30%、50%、70%和90%。当然,也可以根据程序规范添加其他值。由于PIC内部时钟的速度较低(4MHz),因此无法通过变量来参数化等待状态的定时。相反,则是已经创建了具有不同百分比占空比的专用子程序。在这种情况下,由固件生成的PWM信号的频率约为2kHz。使用更快速的PIC可以对等待暂停进行参数化并对代码进行优化。低频率的PWM可能会在感性负载上产生声音提示。但是,在电阻负载上不存在该问题。电路仿真
观察电路在开关点的行为以及研究SiC MOSFET的工作非常有趣。 图7给出了以下几点在占空比为50%时的PWM信号波形图:-
MCU的GPIO1端口上的PWM信号
-
MOSFET IRL540的漏极上的PWM信号
-
SiC MOSFET UF3C065080T3S的漏极上的PWM信号
图8给出了在各种占空比百分比(10%、30%、50%、70%、90%)下,MCU输出处的PWM信号的波形图。
电路效率
就功率传输而言 ,使用SiC MOSFET时效率非常高。这个效率通常可以认为不错,但不幸的是,预驱动器的存在会使其降低。 图9 给出了电路总效率的曲线图,具体取决于施加到输出的负载。为了提高电路效率,可以尝试略微提高MOSFET IRL540漏极电阻R7的值,确保SiC MOSFET的闭合没有问题。
在元件导通期间,直接从电路的各个工作点测量SiC MOSFET的R DS(on)值非常有趣。根据欧姆定律,有:
UF3C065080T3S SiC MOSFET
UnitedSiC公司的共源共栅产品将其高性能G3 SiC JFET与经过共源共栅优化的MOSFET封装在一起,从而生产出了当今市场上唯一的标准栅极驱动SiC器件。该系列不仅具有极低的栅极电荷,而且在类似额定值的任何器件中具有最佳反向恢复特性。当与推荐的RC缓冲器一起使用时,这些器件非常适合对感性负载进行开关,并且它们也非常适合任何需要标准栅极驱动的应用。其特点包括:
-
RDS(on)典型值为80mΩ
-
最高工作温度为175℃
-
出色的反向恢复特性
-
低栅极电荷
-
低固有电容
-
ESD保护,HBM 2级
它的典型应用有:
-
电动汽车充电
-
光伏逆变器
-
开关电源
-
功率因数校正模块
-
电机驱动
-
感应加热
总结
PWM控制可以对电动执行器(例如电机和电灯)获得更好的定性性能。尽管可以随意改变亮度,但是光的质量更好。即使在低转速下,发动机扭矩也很高。本文介绍的电路主要用于指导,并为对该领域的进一步研究奠定了基础。熟悉PWM很有用。显然,设计人员可以在功率和效率上进行改进。但是,建议不要将提供的功率移到最大,以免电路过热。
注:本文来源于网络,如有侵权,请联系删除。
公司电话:+86-0755-83044319
传真/FAX:+86-0755-83975897
邮箱:1615456225@qq.com
QQ:3518641314 李经理
QQ:202974035 陈经理
地址:深圳市龙华新区民治大道1079号展滔科技大厦C座809室





粤公网安备44030002007346号